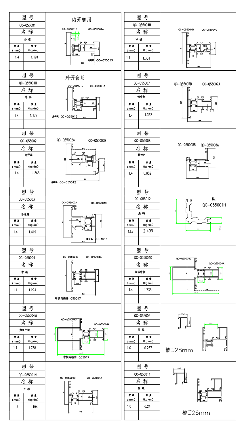
QC-Q550隔热外开窗
关于我们
公司简介
企业文化
发展历程
企业宣传片
生产装备
荣誉证书
检测装备
产品中心
建筑门窗
隔热(穿条)平开系列
隔热(穿条)推拉系列
隔热(浇注)平开系列
隔热(浇注)推拉系列
明框幕墙
隐框幕墙
隔热幕墙
半隐框幕墙
工业型材
散热器型材
流水线型材
电机壳工业材
太阳能产品
灯具照明
轨道交通
工程案例
新闻动态
公司新闻
行业新闻
联系我们
江苏全豪铝业集团有限公司
地址:常州市金坛区复兴路66号
电话:0519-82622888
传真:0519-82581688
销售热线:0519-82310888
邮箱: info@jshlalu.com
全国免费服务热线
400-828-8855
关注公众号